|
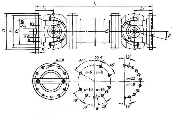
SWP-D universal coupling Features and applications: Bearings are wearing parts. In order to facilitate the replacement of the bearing, the bearing seat gland is made into a split type, bolted, and can work under the condition of β≤5°~10°. Applicable to rolling machinery, lifting and transportation machinery, engineering machinery, mining machinery, petroleum machinery and other heavy machinery, connecting two different axes of shaft drive, can not buffer, reduce vibration. Type A - has a telescopic length; Type B - has a telescopic short type; Type C - no telescopic short type; D type - no telescopic long type; E type - has a telescopic double flange length; F type - large telescopic long type; ZG type - dressing through type FG type--reverse through type ![]() ![]() |



