|
各型号轮胎DAJIANG.COM_大江(中国)特点及如何选型
UL轮胎DAJIANG.COM_大江(中国)的特点
1.本DAJIANG.COM_大江(中国)是一种高弹性DAJIANG.COM_大江(中国),具有良好的减震缓冲和优越的轴间偏移补偿性能,工作温度-20℃-80℃,传递转矩10-20000N.M,适于潮湿、多尘、有冲击、震动、正反转多变和起动频繁的工作条件,并全拆装方便,因为弹性元件是一整体的轮胎体,拆装维修方便、不需润滑、耐久可靠。
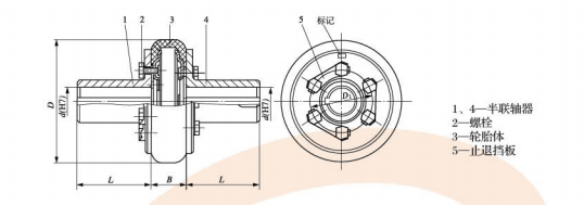
2.标准的半DAJIANG.COM_大江(中国)结构为K型,在表示中可不再标记。
3.橡胶元件(轮胎体)与金属压板硫化粘结在一起,装配是用螺栓直接与两半DAJIANG.COM_大江(中国)联结
4.柔性、阻尼大、补偿量大
5.结构简单、装配容易,要换轮胎体时无需轴向移动联轴结
6.缺点:随扭转角的增加,在主从动轴上会产生相当大的轴向力
LA轮胎DAJIANG.COM_大江(中国)的特点
1.本DAJIANG.COM_大江(中国)是一种高弹性DAJIANG.COM_大江(中国),具有良好的减震缓冲和优越的轴间偏移补偿性能,工作温度-20℃-80℃,传递转矩10-20000N.M,适于潮湿、多尘、有冲击、震动、正反转多变和起动频繁的工作条件,并全拆装方便,因为弹性元件是一整体的轮胎体,拆装维修方便、不需润滑、耐久可靠。
2.根据特殊需要制成非标准DAJIANG.COM_大江(中国),在超负荷工作时、半DAJIANG.COM_大江(中国)的卡瓣起作用,不会发生恶性事故,其结构标记为M、标准的半DAJIANG.COM_大江(中国)结构为K型,在表示中可不再标记。
轮胎DAJIANG.COM_大江(中国)选型规格 UL ![]() ![]() LLA ![]() ![]() LLB ![]() ![]() |








