|
WZL卷筒DAJIANG.COM_大江(中国) 特点及应用场合:适用于起重机、提升机构的减速器与卷筒的联接及其他类似机构的联接,可传递转矩及支承径向载荷,结构紧凑.工作稳定,可靠。
![]()
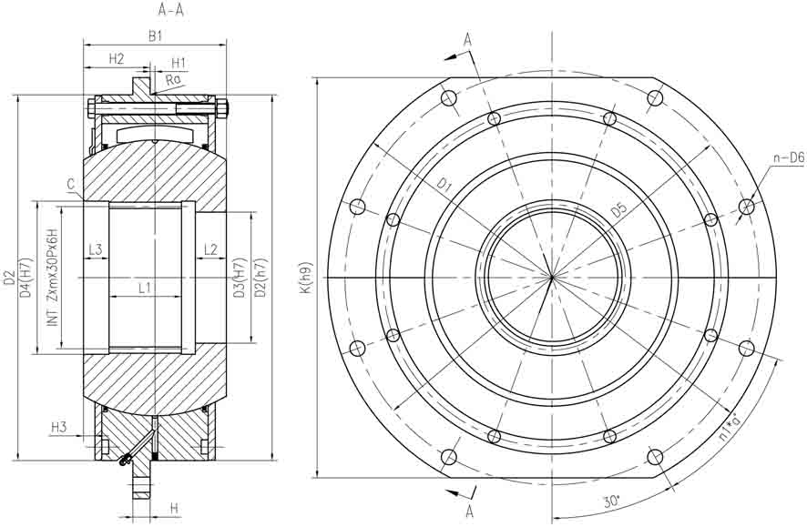
WZL内花键卷筒DAJIANG.COM_大江(中国)主要参数及尺寸: mm
![]() |

|
WZL卷筒DAJIANG.COM_大江(中国) 特点及应用场合:适用于起重机、提升机构的减速器与卷筒的联接及其他类似机构的联接,可传递转矩及支承径向载荷,结构紧凑.工作稳定,可靠。
![]()
WZL内花键卷筒DAJIANG.COM_大江(中国)主要参数及尺寸: mm
![]() |
|
WZL卷筒DAJIANG.COM_大江(中国) 特点及应用场合:适用于起重机、提升机构的减速器与卷筒的联接及其他类似机构的联接,可传递转矩及支承径向载荷,结构紧凑.工作稳定,可靠。
![]()
WZL内花键卷筒DAJIANG.COM_大江(中国)主要参数及尺寸: mm
![]() |
DAJIANG.COM_大江(中国)
© 海诚集团 版权所有 All rights reserved.
地址:江苏省镇江市高新技术开发园区68号 服务热线:18913433240
公司电话:0511-85783292 公司传真:0511-85019680(自动接收)
Copyright © DAJIANG.COM_大江(中国) 版权所有 苏ICP备14043855号-6