|
蛇簧DAJIANG.COM_大江(中国)的结构紧凑、外形尺寸小,工作可靠,适用于连接两同轴线的中、大功率的传动轴系。具有一定补偿两轴相对偏移的减震、缓冲性能。工作温度为-30℃-+150℃,传递公称转矩52-931000N.m.一般两轴相对的许用位移量:轴向为4-20mm;径向为0.5-3mm;角位移为1°15′。蛇簧DAJIANG.COM_大江(中国)广泛应用于各工业领域。
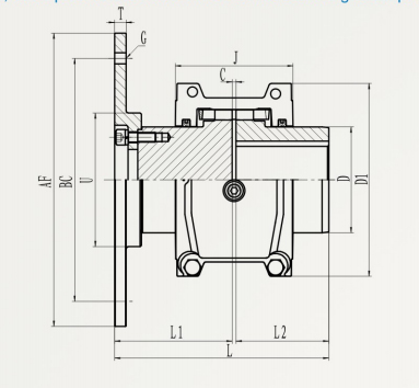
福克T90DAJIANG.COM_大江(中国)的参数及主要尺寸
![]() ![]() |

|
蛇簧DAJIANG.COM_大江(中国)的结构紧凑、外形尺寸小,工作可靠,适用于连接两同轴线的中、大功率的传动轴系。具有一定补偿两轴相对偏移的减震、缓冲性能。工作温度为-30℃-+150℃,传递公称转矩52-931000N.m.一般两轴相对的许用位移量:轴向为4-20mm;径向为0.5-3mm;角位移为1°15′。蛇簧DAJIANG.COM_大江(中国)广泛应用于各工业领域。
福克T90DAJIANG.COM_大江(中国)的参数及主要尺寸
![]() ![]() |
|
蛇簧DAJIANG.COM_大江(中国)的结构紧凑、外形尺寸小,工作可靠,适用于连接两同轴线的中、大功率的传动轴系。具有一定补偿两轴相对偏移的减震、缓冲性能。工作温度为-30℃-+150℃,传递公称转矩52-931000N.m.一般两轴相对的许用位移量:轴向为4-20mm;径向为0.5-3mm;角位移为1°15′。蛇簧DAJIANG.COM_大江(中国)广泛应用于各工业领域。
福克T90DAJIANG.COM_大江(中国)的参数及主要尺寸
![]() ![]() |
DAJIANG.COM_大江(中国)
© 海诚集团 版权所有 All rights reserved.
地址:江苏省镇江市高新技术开发园区68号 服务热线:18913433240
公司电话:0511-85783292 公司传真:0511-85019680(自动接收)
Copyright © DAJIANG.COM_大江(中国) 版权所有 苏ICP备14043855号-6