|
HL,HLL(LX,LXZ)弹性柱销DAJIANG.COM_大江(中国) 特点及应用场合:具有微量补偿性能,结构简单,容易制造,更换柱销方便,可靠性差,适用于有轴向窜动,起动频繁,正反转的轴系传动,不适用于工作可靠性要求精度高的部位,不宜用于高速、重载及有强烈冲击振动的轴系传动,安装精度低的轴系亦不应选用。
HL(LX)型--基本型;
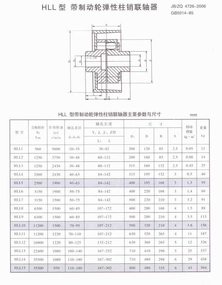
HLL(LXZ)型--带制动轮型;
![]() |

|
HL,HLL(LX,LXZ)弹性柱销DAJIANG.COM_大江(中国) 特点及应用场合:具有微量补偿性能,结构简单,容易制造,更换柱销方便,可靠性差,适用于有轴向窜动,起动频繁,正反转的轴系传动,不适用于工作可靠性要求精度高的部位,不宜用于高速、重载及有强烈冲击振动的轴系传动,安装精度低的轴系亦不应选用。
HL(LX)型--基本型;
HLL(LXZ)型--带制动轮型;
![]() |
|
HL,HLL(LX,LXZ)弹性柱销DAJIANG.COM_大江(中国) 特点及应用场合:具有微量补偿性能,结构简单,容易制造,更换柱销方便,可靠性差,适用于有轴向窜动,起动频繁,正反转的轴系传动,不适用于工作可靠性要求精度高的部位,不宜用于高速、重载及有强烈冲击振动的轴系传动,安装精度低的轴系亦不应选用。
HL(LX)型--基本型;
HLL(LXZ)型--带制动轮型;
![]() |
DAJIANG.COM_大江(中国)
© 海诚集团 版权所有 All rights reserved.
地址:江苏省镇江市高新技术开发园区68号 服务热线:18913433240
公司电话:0511-85783292 公司传真:0511-85019680(自动接收)
Copyright © DAJIANG.COM_大江(中国) 版权所有 苏ICP备14043855号-6