|
ZLD(LZD)弹性柱销DAJIANG.COM_大江(中国) 特点及应用场合:可补偿两轴相对偏移,减振功能差,传动精度低,传递转矩大,与齿式DAJIANG.COM_大江(中国)相比,结构简单,质量轻,制造方便,维护简便.不用润滑,部分代替齿式DAJIANG.COM_大江(中国),噪声大,适用于大、中转矩轴系传动,不适用于对减振效果要求高和对噪声需严加控制的部位。
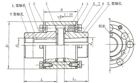
ZL型—基本型;
ZID型—圆锥孔型(与电机联接);
ZLZ型—接中间轴型;
ZLL型—带制动轮型;
![]()
ZLD(LZD)圆锥轴孔柱销齿式DAJIANG.COM_大江(中国)基本参数与主要尺寸:(GB/T 5015-85) mm
![]() |




